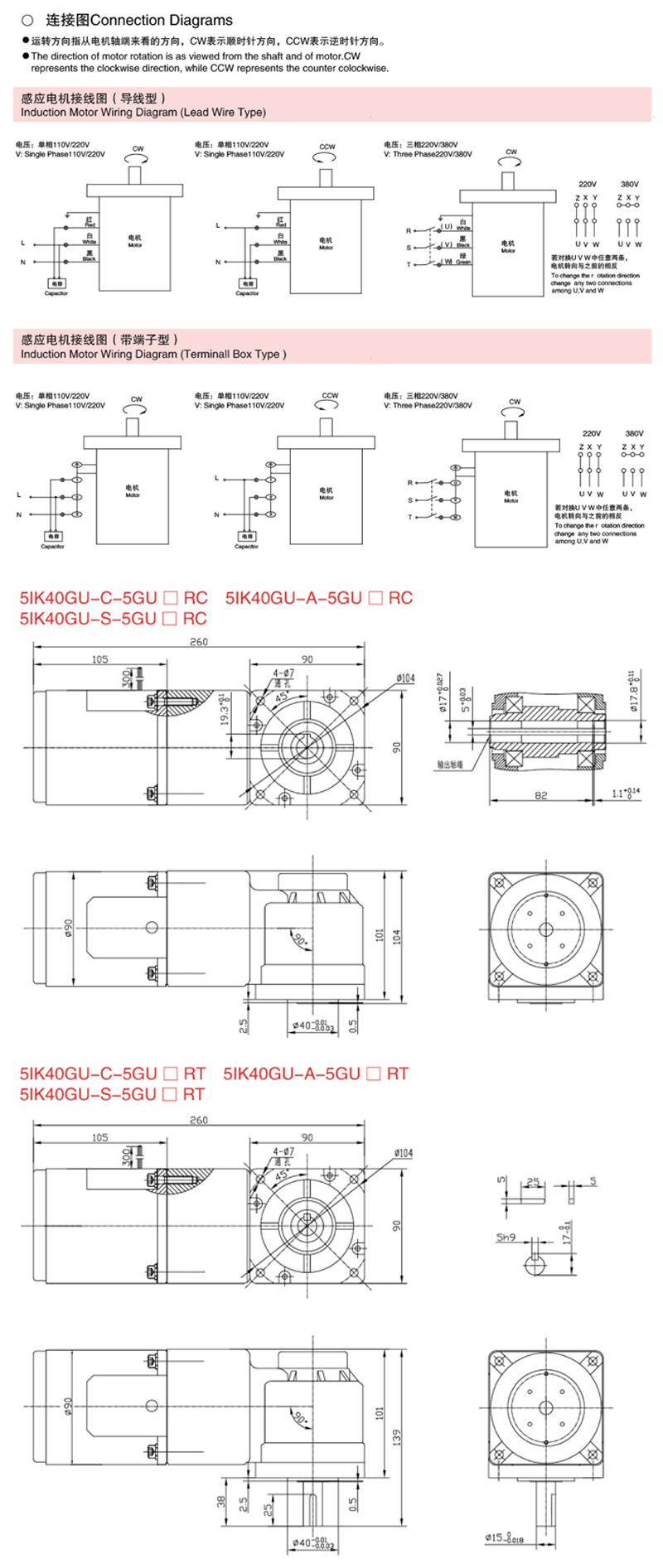
(R系列)感应电机40W

功率范围:6W~250W

电压范围:三相/单相/其他

速比范围:3~600

外壳材质:铝壳/铸铁


(R系列)感应电机40W
立即咨询

联系热线

190-5756-1776

产品介绍

性能特点

士元电机微型直角减速电机产品有:感应电机、步进电机、可逆电机、刹车电机、调速电机、刹车调速电机、力矩电机、直流有 刷电机、直流无刷电机、直交轴减速电机和速度控制器等;广泛应用于工作母机、纺织机械、输送机械、印刷机械、食品机械、包装机械、 自动贩卖机、胶装机、电脑横机、自动餐桌、办公设备、医疗器械、太阳能发电等感应性领域。

选型参数

2.1.jpg

产品图纸

(R系列)感应电机40W微型减速电机图纸

截屏,微信识别二维码

微信号:19057561776

(点击微信号复制,添加好友)