RV105蜗轮减速机

功率:0.06-0.25 Kw

速比:5-80

输出转数:11-560 r/min

输出扭矩:1.8-30 Nm

输出轴径向力:474-1504N


RV105蜗轮减速机
立即咨询

联系热线

190-5756-1776

产品介绍

性能特点

MRV系列:产品规格025-110,传动比单级7.5-100;双极300-5000;输入功率006-15KW,输出扭矩7-2680N.M。共22000余种不同的规格,传动比,联接合安装方式可供选用,满足用户各种需求。

● 安装简易、灵活轻捷、性能优越、易于维护检修

● 传动速比大、扭矩大、承受过载能力高

● 运行平稳、噪音小、经久耐用

● 适用性强、安全可靠性大

● 热交换性能好,散热快

● 机械结构紧凑、体积轻巧、小型高效


选型参数

RV105蜗轮减速机选型参数

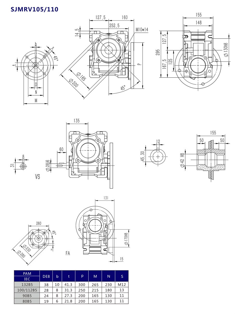
产品图纸

RV105蜗轮减速机蜗轮减速机图纸

截屏,微信识别二维码

微信号:19057561776

(点击微信号复制,添加好友)