SRH35准双曲面齿轮减速马达

0.1KW~2.2KW
25~45
5~240
4500~90000N.m

SRH35准双曲面齿轮减速马达
立即咨询

联系热线

190-5756-1776

产品介绍

性能特点

广泛应用于包装设备,电镀设备,陶瓷设备,木工机械,印刷设备,塑料机械,液压设备,清洗设备等等

选型参数

3.1.jpg

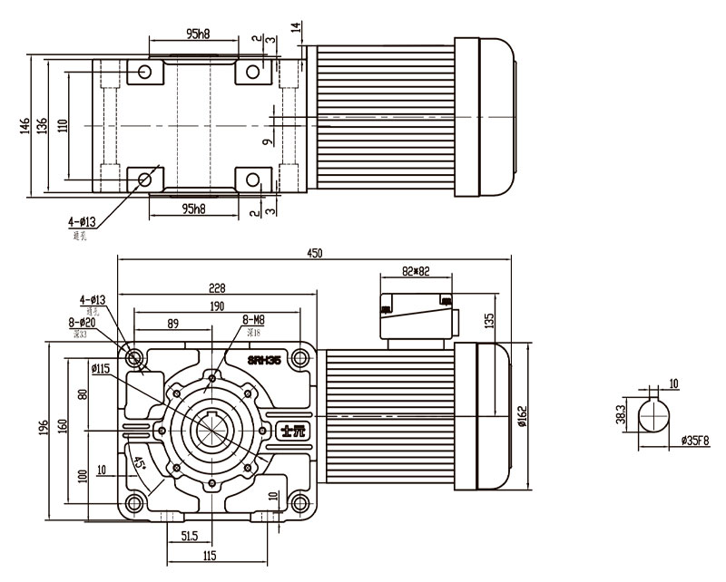
产品图纸

SRH35准双曲面齿轮减速马达双曲面/直角减速电机图纸

截屏,微信识别二维码

微信号:19057561776

(点击微信号复制,添加好友)